在线精品自拍亚洲第一区

承諾質保
獨特創新

全國咨詢服務熱線
0519-8386 8611

關(guan)鍵詞:電子秤 稱重顯示控制器 稱重模塊 稱重傳感器
產品分類
PRODUCT CLASSIFICATION
聯系我們
CONTACT US
0519-8386 8611
聯系人:萬娟
電話:0519-8386 8611
郵箱:在線精品自拍亞洲第一區:shsenrid@163.com
地址:江蘇省常州市新北區慶陽路

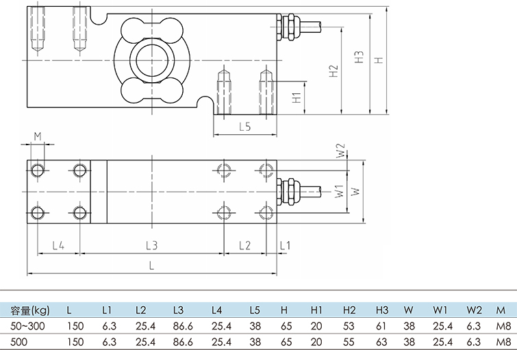
SRP621單點式傳感器

產品概述

SRP621是不銹鋼焊接密封的單點式傳感器,主要用于不銹鋼防水秤,適用于化工,食品以及制藥行業的過程稱重。規格型號:SRP621最大秤量: 50kg,100kg,200kg,300kg,500kg,1t應 用:適用于臺案秤,包裝秤,檢重秤。
在(zai)線聯系(xi)
產品詳情

  SRP621是(shi)不銹(xiu)鋼焊接密封的單點式(shi)傳(chuan)感器,主要用于(yu)不銹(xiu)鋼防水(shui)秤,適用于(yu)化工,食品(pin)以及制藥行(xing)業的過程(cheng)稱重。

  規格型號(hao):SRP621

  最大秤量: 50kg,100kg,200kg,300kg,500kg,1t應 用(yong):適用(yong)于臺案秤,包裝秤,檢重秤。

在線反饋
相關文章
  • 2025-12-03 08:09:32

    1.一(yi)種傳感(gan)器部件,其(qi)(qi)(qi)特征在(zai)于(yu),包(bao)括(kuo):傳感(gan)器本體(ti),其(qi)(qi)(qi)承載桿上形成有安裝孔;第一(yi)連(lian)接(jie)件,一(yi)端為設在(zai)所述安裝孔內的連(lian)接(jie)部,另一(yi)端為抵接(jie)部,中部為延伸(shen)部。2.一(yi)種稱重傳感(gan)器組(zu)件,其(qi)(qi)(qi)特征在(zai)于(yu),包(bao)括(kuo):如權利要求1所述的傳感(gan)器部件;秤腳組(zu)件,包(bao)括(kuo)秤腳本體(ti);其(qi)(qi)(qi)中所述抵接(jie)…

  • 2025-12-03 08:08:23

    1.一(yi)種(zhong)基于稱重傳(chuan)(chuan)感(gan)器的加樣(yang)可視(shi)化PCR板(ban),其特征(zheng)在于,包括板(ban)體(1),所(suo)述(shu)板(ban)體(1)設(she)(she)置(zhi)有多個(ge)容納腔(2),所(suo)述(shu)容納腔(2)設(she)(she)置(zhi)有隔(ge)膜(3),所(suo)述(shu)隔(ge)膜(3)將所(suo)述(shu)容納腔(2)分割為(wei)第一(yi)腔(4)和(he)第二(er)腔(5),所(suo)述(shu)第一(yi)腔(4)用(yong)于容納介質,所(suo)述(shu)第二(er)腔(5)設(she)(she)置(zhi)有稱重傳(chuan)(chuan)感(gan)器(6),所(suo)述(shu)稱重傳(chuan)(chuan)感(gan)…

  • 2025-12-03 08:06:42

    1.一(yi)種高精(jing)度稱(cheng)重(zhong)傳感器,包(bao)括安(an)(an)裝(zhuang)(zhuang)板(ban),其(qi)特征(zheng)在于:所述安(an)(an)裝(zhuang)(zhuang)板(ban)上(shang)端(duan)(duan)(duan)螺紋連接(jie)有(you)稱(cheng)重(zhong)傳感器本體,所述安(an)(an)裝(zhuang)(zhuang)板(ban)底端(duan)(duan)(duan)對(dui)稱(cheng)安(an)(an)裝(zhuang)(zhuang)有(you)調(diao)節機構,所述安(an)(an)裝(zhuang)(zhuang)板(ban)上(shang)端(duan)(duan)(duan)活(huo)動連接(jie)有(you)防護(hu)外殼,所述安(an)(an)裝(zhuang)(zhuang)板(ban)兩端(duan)(duan)(duan)內部均對(dui)稱(cheng)安(an)(an)裝(zhuang)(zhuang)有(you)連接(jie)機構,所述安(an)(an)裝(zhuang)(zhuang)板(ban)上(shang)端(duan)(duan)(duan)對(dui)稱(cheng)開設有(you)定位槽,所述防護(hu)外殼兩端(duan)(duan)(duan)對(dui)稱(cheng)安(an)(an)裝(zhuang)(zhuang)…

  • 2025-12-03 08:05:51

    智能稱(cheng)重(zhong)傳感(gan)(gan)器(qi)(qi)稱(cheng)重(zhong)傳感(gan)(gan)器(qi)(qi)實際上是一種將質量(liang)信(xin)號轉變為可測量(liang)的電信(xin)號輸出(chu)的裝置。用(yong)傳感(gan)(gan)器(qi)(qi)因先要(yao)考慮(lv)傳感(gan)(gan)器(qi)(qi)所處(chu)的實際工作環境(jing),這點對(dui)正確選用(yong)稱(cheng)重(zhong)傳感(gan)(gan)器(qi)(qi)至(zhi)關重(zhong)要(yao),它(ta)關系到傳感(gan)(gan)器(qi)(qi)能否正常(chang)工作以及它(ta)的安(an)全和使用(yong)壽命,乃至(zhi)整個衡器(qi)(qi)的可靠性(xing)和安(an)全性(xing)。在稱(cheng)重(zhong)傳感(gan)(gan)器(qi)(qi)主要(yao)…

Top